Ok! Da vet jeg iallefall det:)
Har et sennheiser headset med impendans på 32ohm..
-Magnar-
Tapatalk @iPhone
Ok! Da vet jeg iallefall det:)
Har et sennheiser headset med impendans på 32ohm..
-Magnar-
Tapatalk @iPhone
kan høre det ganske greit ja... vanlig forbrenning har en slags "popp" lyd mens banking har en mere metallisk "ping" lyd... bankingen har en høyere amplitude også. kan være lurt med en resistans i serie ja... vanlig motorstøy har ikke den værste amplituden, men ville ikke hatt lyden direkte inn på øret pga topper i amplitude. som sagt her en noe rundt 100k resistor bør funke fint. enda bedre blir det hvis man lager et båndpassfilter som vil i det minste slippe gjennom +/-1kHz rundt det som vil være førstegangs bankefrekvens. for feks. 83mm borring er det noe rundt 7kHz en plass...
Her er en fin graf over sånn ca. bankefrekvens... iaffal et fint clue til å velge frekvens for et bandpassfilter...
EDIT: første og andregrads frekvens er vel mest brukanes for normal menneskelig hørsel :)
http://www.vems.co.uk/VEMSUserManual...encycurves.jpg
Den mest fremtredne lyden fra sensoren kommer fra ventilmekanismen, men det er null problem å høre bankingen.
Motstanden er helt nødvendig hvis signalet skal mates på mic eller linjeinngang.
En form for bandpassfilter skader ikke, men menneskeøret sliter ikke akkurat med å skille lydene.
Har en behringer peq på lager så nå kan jeg få bruk for den:)
-Magnar-
Tapatalk @iPhone
Også fort gjort å bruke fruity loops eller lignende for programmerbart bandpassfilter, og for eksempel eq som drar opp rundt 6khz ! ;) Live selvfølgelig..
Ser for meg at det er lettere å høre bankinga enn å se det på oscillioskop (staving ?) ?
Spektrumanalysator, ikke oscilloskop.
Jeg mener at dette er et veldig godt verktøy, selv om det bare er ufiltrert rett inn på øret. :)
Fremgangsmåten ved kjøring blir slik:
Start en datalogg i Tunerstudio mens du kjører. Når du hører det banke i headsettet trykker du på space.
Da blir det satt et "MARK" i loggen, slik at du kan gå tilbake og studere hvorfor. Da vet du jo også automatisk hvor motoren befant seg i tenningsmappet.
http://mail.linuxportalen.net/public/
Litt "musikk" :)
Hadde dette vært på "face" så hadde jeg trykket liker :)
Takk takk!
Men det er ikke mulig å høre dem eller laste dem ned. Er noe galt med rettighetene..
-Magnar-
Tapatalk @iPhone
Fikk ikke de linka til å funke... men her er også en god en :)
http://www.youtube.com/watch?v=GGJZ6kKzLus
Kjedelig at de ikke fungerte.. Men de er lasta ned fra wolfems sine sider, så den filmen flyfaen linket til høres identisk ut. :)
Ganske greit å kjenne igjen når en har ett headsett. Verre å få det til og fungere godt i ett datasprut.. Det blir jo en del arbeid å få det bra.
Jupp det beste er de litt dyrere sprutene som Bosch Motorsport M og MS serie, og Motec osv som bruker software analysering av lydbildet istedet for bandpass og amplitude etc.
De bankesystemene (Bosch, Motec) kan man stole like mye på som sin egen hørsel... men de koster... jeg vurderte Bosch Motorsport MS 3 til min bil, fordi jeg trodde den inneholdt bankefunksjon som std. VELDIG kapabelt sprut til en ganske grei pris av 16500kr (inn til det Norskeskatteparadis). men fant ut at Knock sense var tilbehør (den er av type analysator) men da mere enn dobbla prisen seg :(
Den måten billige sprut gjør det på (typ bandpass, amplitude og veiv-vinkel) blir bare en sånn halvveis løsning som ikke er HELT til å stole på :(
Ja, koster og være kar.
Har VEMS, men der er det for mye arbeid å få til bankesensorene tror jeg.
Ja er vel endel innstillinger, men man kan sette inn bankevindu osv. på VEMS hvilket gjør det mye mere pålitelig enn andre sammenlignbare sprut :) VEMS har jo egne banke-chipper montert, nesten analysator, men mere lik det som ble brukt av Bosch osv midt på 90-tallet :) man definerer bandbass for både første og 3/4 gangs bankefrekvens, amplitude OG veiv vinkel for når den i det heletatt skal bruke sensoren, altså bankevindu :) Samt den har mulighet for to slik at den kan finne ut vilken spesifikk sylinder som banker, om man virkelig går inn i feinschmekker opplegg.
Jeg har landa på DTA S80. Da jeg kan overleve uten banke funkjson, får helelr mappe littegranne safe :) For meg er hurtigere ECU (les kjappere prosessor) viktigere. Får alt jeg trenger med den, nesten fullgod med Bosch Motorsport på mange områder, men halve prisen :)
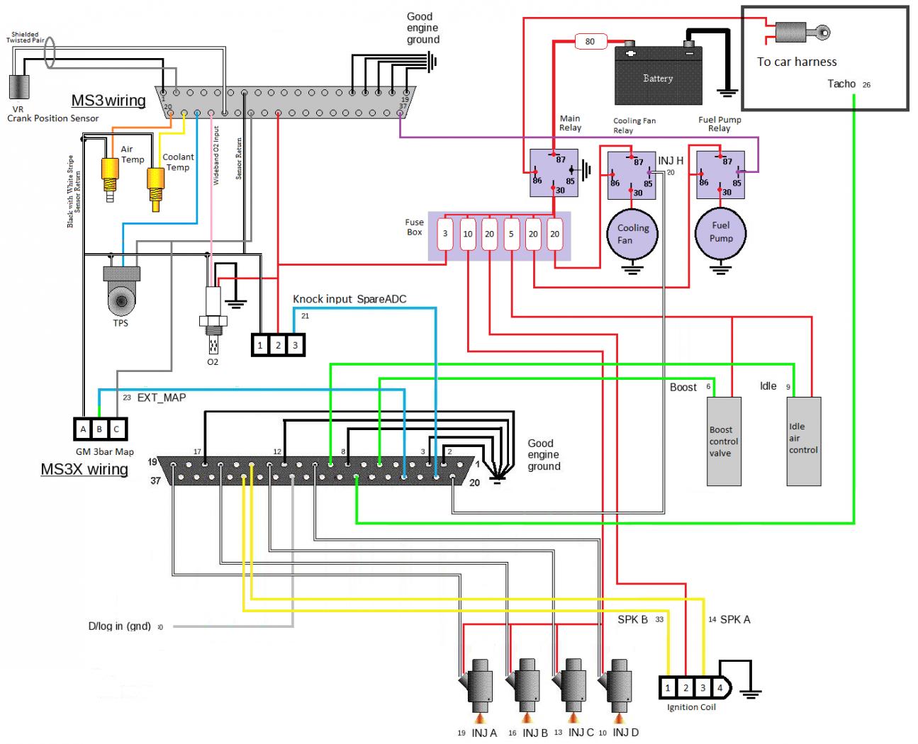
Nå har jeg begynt på ledningsnettet.
Laget meg et eget diagram, uten alt jeg ikke skal bruke.
http://forum.vccn.no/img-dump/2012/03/1764.jpg
Ser dette greit ut? Jeg forlanger ikke at dere skal tyde hele skjemaet, men lurte på sikringsfordelig og størrelser.
PS: Jeg kopierte sikringstørrelser fra DIYautotune sitt skjema, er det virkelig nødvendig med 80A hovedsikring (og medfølgende gigarelè)?
Coilen blir en dobbelcoil, kjent fra både VAG og FORD, med innebyggede drivere.
Jeg har laget klar en 3pins plugg til KnockTek boksen, vet ikke om jeg kommer til å bruke den, men vil prøve å koble den til iallefall, se om den gjør jobben sin.
Noen som vet koblingsrekkefølgen på 850 TPS'en?
Eieren bestemte seg for å bytte bilen bort i noe annet så dette prosjektet stoppet.
Jeg har skaffet meg en A4 1.8TQ som jeg skal montere dette sprutet på nå. Greit med noe eget å bruke tiden på.
En kompis skal nå montere MS3X i en 242, så jeg tar gjerne imot noen røvertips! Blir å kjøre 36-1 på svingningsdemper og hallgiver i fordeler for fullsekvensielt.